
Art.Nr.: N-4000832640
ohne Sicherheitskupplung · Einsätze in denen die Gewindebohrer über die Schnellspanneinrichtung gehalten werden · die Drehmomentübertragung erfolgt über den Schaft-Vierkant · für unterschiedliche Schaftmaße sind verschiedene Einsätze erforderlich
Weitere technische Eigenschaften
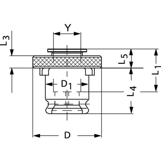
· L5: 11mm · D: 48mm · L4: 35mm · D1: 31mm · Schnellwechseleinsatz SE · 6mmx4,9mm Gr.2 f.DIN 371 · M5-6 f.DIN 374/376 M8 ·
Technische Daten
| Größe | 2 |
| Schaft-Ø | 6 |
| Vierkant | 4,9 |
| für DIN 371 | M5-6 |
| für DIN 374/376 | M8 |
| Ausführung | ohne Sicherheitskupplung |
Werner Wilke Zerspanungstechnik GmbH · Eschborner Str. 4 · 65824 Schwalbach · Deutschland · info@wilke-tools.de
52,90 EUR
inkl. 19 % MwSt. zzgl. Versandkosten